КПР-4Ф с ручным приводом
Доступен для скачивания
краткий каталог продукции:
Кран шаровой фланцевый КПР-4Ф с ручным приводом предназначен для управления потоком рабочей среды в трубопроводе
Особенности:
-
Ручное управление краном
-
Долгий срок службы
-
Для крана КПР-4Ф-050 при использовании монтажного крепежа КМКУ-62 и ПМКУ возможна установка приводов с ISO 5211: с ПМКУ44-14/17 – ППР1-075, ППР2-063; ЭПР1-008; ЭПР3-008 с ПМКУ44-17/17 – ППР1(2)-083, -092; ЭПР1-015; ЭПР3-015
Для защиты прибора от попадания инородных частиц необходима установка фильтра механической очистки перед входным отверстием крана
Для герметизации резьбовых/фланцевых металлических соединений рекомендуется использование анаэробных герметиков
Для герметизации резьбовых/фланцевых металлических соединений рекомендуется использование анаэробных герметиков
| Параметр
| Значение
|
| Рабочая среда | Пар, вода, горячая вода, воздух, инертные газы, масла |
| Материал | Корпуса: чугун
Уплотнения: PTFE |
| Температура рабочей среды | −20...+200°C |
| Рабочее давление | 0,0...2,4 МПа
|
| Диаметр условного прохода | 15...100 мм |
| Присоединение крана | Фланцевое F½"...F4" |
| Модель ручного привода
| ПРК
|
Модификации:
| Модель
| Ду, мм
| Kv, м³/ч
| Присоединение
| Крутящий момент, Н·м
| Посадочный размер, мм
| Вес, кг
|
| КПР-4Ф-015 FHP
| 15
| 20
| F½"
| 28
| 9×9
| 4
|
| КПР-4Ф-020 FHP | 20
| 38
| F¾"
| 28
| 9×9
| 4
|
| КПР-4Ф-025 FHP | 25
| 69
| F1"
| 30
| 11×11
| 6
|
| КПР-4Ф-032 FHP | 32
| 93
| F1¼"
| 30
| 11×11
| 9
|
| КПР-4Ф-040 FHP | 40
| 144
| F1½"
| 38
| 14×14
| 10
|
| КПР-4Ф-050 FHP | 50
| 229
| F2"
| 45
| 17×17*
| 9,2
|
| КПР-4Ф-065 FHP | 65
| 404
| F2½"
| 60
| 19×19
| 19
|
| КПР-4Ф-080 FHP | 80
| 573
| F3"
| 84
| 19×19
| 31
|
| КПР-4Ф-100 FHP | 100
| 936
| F4"
| 120
| 22×22
| 23,7
|
Таблица выбора привода для крана КПР-4Ф:
| Модель крана
| Посадочный размер, мм
| Крутящий момент, Н·м
| Модель привода
|
| Ручной ПРК
| |||
| КПР-4Ф-015
| 9×9
| 28
| ПРК-015, -020
|
| КПР-4Ф-020
| 9×9
| 28
| ПРК-020
|
| КПР-4Ф-025
| 11×11
| 30
| ПРК-025, -032
|
| КПР-4Ф-032
| 11×11
| 30
| ПРК-032
|
| КПР-4Ф-040
| 14×14
| 38
| ПРК-040, -050
|
| КПР-4Ф-050
| 17×17 | 45
| ПРК-065, -080 |
| КПР-4Ф-065
| 19×19 | 60
| ПРК-100 |
| КПР-4Ф-080
| 19×19 | 84
| ПРК-100 |
| КПР-4Ф-100
| 22×22
| 120
| –
|
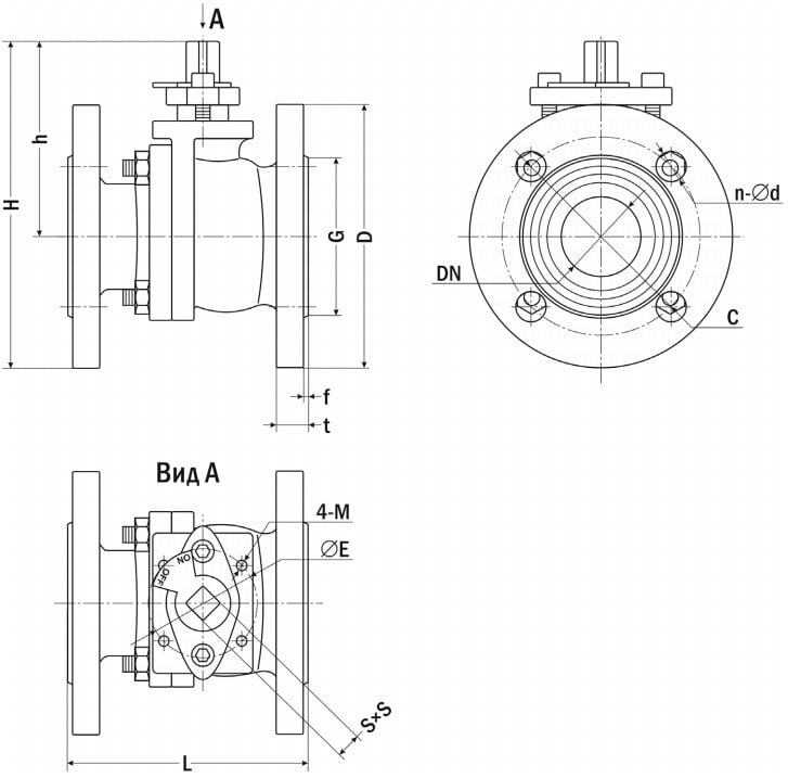
| Габаритные размеры
|
|
| Модель
| Размеры, мм
| |||||||||||||
| F
| DN
| C
| D
| E
| f
| G
| h
| H
| L
| M
| S×S
| n-∅ d
| t
| |
| КПР-4Ф-015
| F½"
| 15
| 65
| 95
| 42
| 2
| 45
| 88
| 135,5
| 115
| M5
| 9×9
| 4-∅ 14
| 14
|
| КПР-4Ф-020
| F¾"
| 20
| 75
| 105
| 42
| 2
| 58
| 100
| 150
| 120
| M5
| 9×9
| 4-∅ 14 | 16
|
| КПР-4Ф-025
| F1"
| 25
| 85
| 115
| 42
| 2
| 68
| 103
| 165,5
| 125
| M5
| 11×11
| 4-∅ 14 | 16
|
| КПР-4Ф-032
| F1¼"
| 32
| 100
| 140
| 50
| 2
| 78
| 120
| 187,5
| 130
| M6
| 11×11
| 4-∅ 19 | 18
|
| КПР-4Ф-040
| F1½" | 40
| 110
| 150
| 50
| 3
| 88
| 130
| 200
| 140
| M6
| 14×14
| 4-∅ 19 | 18
|
| КПР-4Ф-050
| F2"
| 50
| 125
| 165
| 70
| 3
| 99
| 124
| 206,5
| 150
| M8
| 17×17
| 4-∅ 19 | 20
|
| КПР-4Ф-065 | F2½"
| 65
| 145
| 185
| 102
| 3
| 122
| 174
| 244
| 170
| M10
| 19×19
| 4-∅ 19 | 20
|
| КПР-4Ф-080 | F3"
| 80
| 160
| 200
| 102
| 3
| 138
| 187
| 279,5
| 180
| M10
| 19×19
| 8-∅ 19 | 22
|
| КПР-4Ф-100 | F4"
| 100
| 180
| 218
| 102
| 3
| 155
| 195
| 304
| 192
| M10
| 22×22
| 8-∅ 19 | 24
|
Версия: 2018-01-11-КВА
| Документ | Дата обновления |
| Паспорт на КПР4F | 11.10.2022 |