КПР-2Ф с ручным приводом
Доступен для скачивания
краткий каталог продукции:
Кран шаровой фланцевый с ручным приводом КПР-2Ф предназначен для управления потоком рабочей среды в трубопроводе
Особенности:
Модификации:
Расшифровка обозначения на примере крана КПР-2Ф-015 XYZ:
КПР-2Ф – модель крана.
015 – Ду, мм (диаметр условного отверстия).
X – присоединение: F – фланцевое.
Y – материал корпуса: S – нержавеющая сталь.
Таблица выбора привода для крана КПР-2Ф
Версия: 2024-01-26-ЛВС
Особенности:
- Угол полного поворота: 90°
- Долгий срок службы
- Внимание! Если у крана и привода различаются посадочные размеры, то для соединения потребуется монтажный комплект и переходники (не входят в комплект поставки). Менеджеры подбирают их дополнительно при заказе
Для защиты прибора от попадания инородных частиц необходима установка фильтра механической очистки перед входным отверстием крана
Для герметизации резьбовых/фланцевых металлических соединений рекомендуется использование анаэробных герметиков
Для герметизации резьбовых/фланцевых металлических соединений рекомендуется использование анаэробных герметиков
| Параметр
| Значение
|
| Рабочая среда | Пар, вода, горячая вода, воздух, инертные газы, природный газ, масла, азотная кислота, уксус |
| Материал | Корпуса: нержавеющая сталь
Уплотнения: PTFE |
| Температура рабочей среды | −20...+150°C |
| Рабочее давление | 0,0...1,6 МПа
|
| Диаметр условного прохода | 15...100 мм |
| Присоединение крана
| Фланцевое F½"...F4" |
| Стандарт присоединения крана к приводу | ISO5211 |
| Модель ручного привода | ПРК2 |
Модификации:
| Модель
| Ду, мм
| Kv, м³/ч
| Присоединение
| Посадочный размер, мм
| Вес, г
|
| КПР-2Ф-015 FSP
| 15
| 20
| F½"
| 9×9
| 2300
|
| КПР-2Ф-020 FSP | 20
| 38
| F¾"
| 9×9
| 3000
|
| КПР-2Ф-025 FSP | 25
| 69
| F1"
| 11×11
| 3600
|
| КПР-2Ф-032 FSP | 32
| 93
| F1¼"
| 11×11
| 4400
|
| КПР-2Ф-040 FSP | 40
| 144
| F1½"
| 14×14
| 6200
|
| КПР-2Ф-050 FSP | 50
| 229
| F2"
| 14×14
| 8000
|
| КПР-2Ф-065 FSP | 65
| 404
| F2½"
| 17×17
| 11 100
|
| КПР-2Ф-080 FSP | 80
| 573
| F3"
| 17×17
| 13 700
|
| КПР-2Ф-100 FSP | 100
| 936
| F4"
| 17×17 | 17 100
|
КПР-2Ф – модель крана.
015 – Ду, мм (диаметр условного отверстия).
X – присоединение: F – фланцевое.
Y – материал корпуса: S – нержавеющая сталь.
Z – материал уплотнения: P – PTFE.
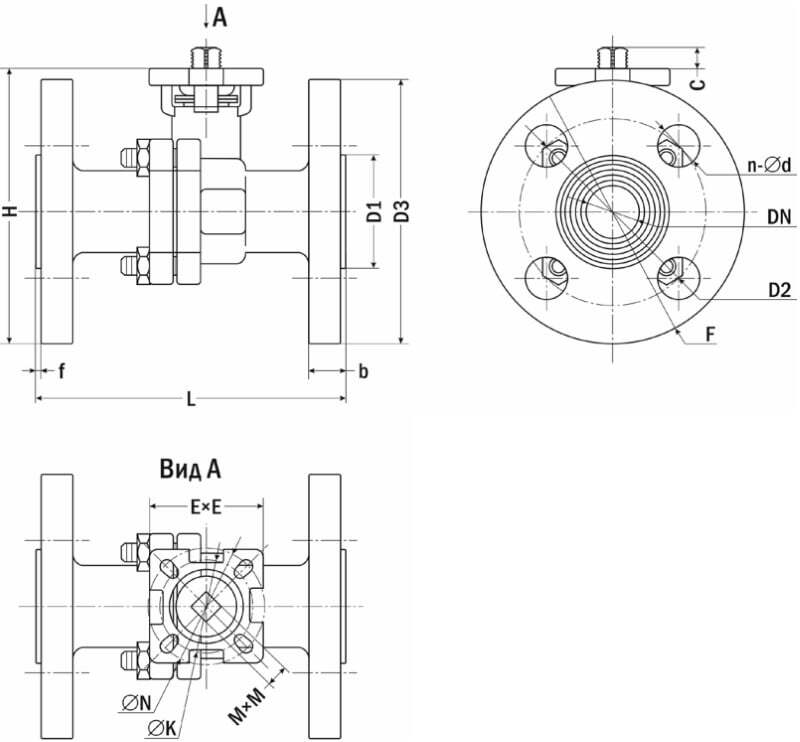
| Габаритные размеры
|
![]() |
| Модель
| Размеры, мм
| ||||||||||||||
| F
| DN
| b
| C
| D1
| D2
| D3
| E×E | f | H
| L
| M×M
| K
| N
| n-∅ d
| |
| КПР-2Ф-015
| F½"
| 15
| 16
| 11
| 44
| 65
| 93
| 44×44
| 2
| 97
| 115
| 9×9
| 36 (F03)
| 42 (F04) | 4-14
|
| КПР-2Ф-020
| F¾"
| 20
| 18
| 14
| 57
| 75
| 104
| 44×44
| 2
| 106
| 120
| 9×9
| 36 (F03)
| 42 (F04) | 4-14
|
| КПР-2Ф-025
| F1"
| 25
| 18
| 11
| 67,5
| 85
| 114
| 50×50
| 2
| 117
| 124
| 11×11
| 42 (F04)
| 50 (F05) | 4-14
|
| КПР-2Ф-032
| F1¼"
| 32
| 16
| 12
| 78
| 102
| 141
| 49×49
| 2
| 143
| 131
| 11×11
| 42 (F04)
| 50 (F05) | 4-18
|
| КПР-2Ф-040
| F1½" | 40
| 17,5
| 18
| 88
| 110
| 150
| 68×68
| 2
| 154
| 138
| 14×14
| 50 (F05)
| 70 (F07)
| 4-18
|
| КПР-2Ф-050
| F2"
| 50
| 20
| 14
| 101
| 125
| 163
| 69×69
| 3
| 166
| 150
| 14×14
| 50 (F05)
| 70 (F07)
| 4-18
|
| КПР-2Ф-065 | F2½"
| 65
| 18,5
| 18
| 122
| 145
| 185
| 95×95
| 3
| 193
| 170
| 17×17
| 70 (F07)
| 102 (F10)
| 4-18
|
| КПР-2Ф-080 | F3"
| 80
| 21
| 21
| 137
| 160
| 198
| 96×96
| 3,5
| 213
| 182
| 17×17
| 70 (F07)
| 102 (F10)
| 8-18
|
| КПР-2Ф-100 | F4"
| 100
| 20,5
| 24
| 156
| 180
| 217
| 95×95
| 3
| 246
| 191
| 17×17
| 70 (F07)
| 102 (F10)
| 8-18
|
Версия: 2024-01-26-ЛВС
| Документ | Дата обновления |
| Паспорт на КПР-2Ф | 22.06.2025 |
